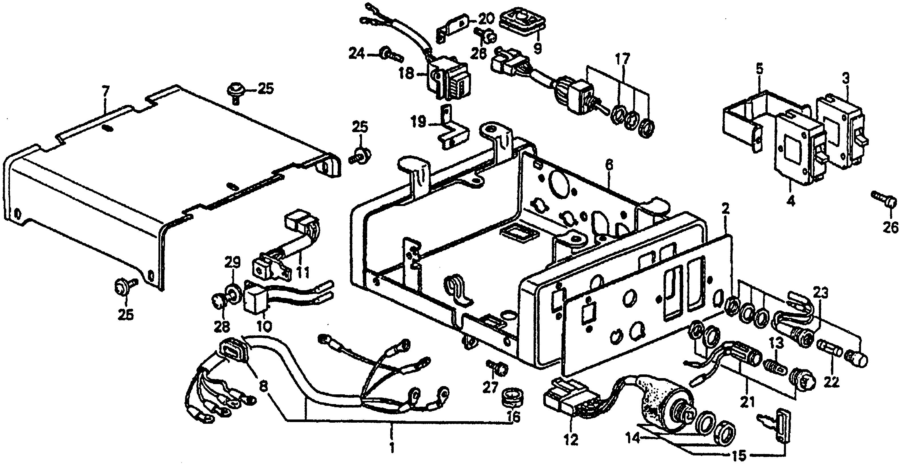
Generators ES ES3500 ES3500 A ES3500-1000032-1028641 CIRCUIT BREAKER@ENGINE SWITCH - Schofield Power Equipment

Ref No
Part Number
Description
Serial Range
Qty
Price

Ref No
1
Part Number
31405-880-000
Description
WIRE, A.C. OUTLET
Serial Range
1000001 - 9999999

Ref No
2
Part Number
31406-880-670
Description
PANEL, BOX
Serial Range
1000001 - 9999999

Ref No
3
Part Number
31411-880-680
Description
BREAKER, CIRCUIT (33A) (NOT AVAILABLE)
Serial Range
1000001 - 9999999

Ref No
4
Part Number
31412-880-680
Description
BREAKER, CIRCUIT (16.5A) (NOT AVAILABLE)
Serial Range
1000001 - 9999999

Ref No
5
Part Number
31415-880-000
Description
SUPPORT, BREAKER (NOT AVAILABLE)
Serial Range
1000001 - 9999999

Ref No
6
Part Number
31450-880-671H
Description
BOX, CONTROL *R8* (BRIGHT RED)
Serial Range
1000001 - 9999999

Ref No
7
Part Number
31455-880-000H
Description
COVER, BOX (UPPER) *R8* (BRIGHT RED)
Serial Range
1000001 - 9999999

Ref No
8
Part Number
31481-880-000
Description
GROMMET, A.C. WIRE
Serial Range
1000001 - 9999999
Qty
Price
$7.08

Ref No
9
Part Number
31483-880-670
Description
GROMMET, REMOTE CONTROL
Serial Range
1000001 - 9999999

Ref No
10
Part Number
31700-124-003
Description
RECTIFIER ASSY., SILICON (STANLEY)
Serial Range
1004955 - 9999999

Ref No
10
Part Number
31700-124-008
Description
RECTIFIER ASSY., SILICON (SHINDENGEN)
Serial Range
1004955 - 9999999

Ref No
10
Part Number
31700-823-761
Description
RECTIFIER, SILICON (NOT AVAILABLE)
Serial Range
1000001 - 1004954

Ref No
11
Part Number
31710-880-000
Description
STACK ASSY., DIODE (2.7A)
Serial Range
1004955 - 9999999

Ref No
12
Part Number
32136-086-010
Description
CONNECTOR, MALE (8 POLE) (NOT AVAILABLE)
Serial Range
1000001 - 9999999

Ref No
13
Part Number
34909-880-000
Description
BULB, DASH (24V-2W)
Serial Range
1000001 - 9999999

Ref No
14
Part Number
35100-ZA0-013
Description
SWITCH ASSY., COMBINATION
Serial Range
1000001 - 9999999

Ref No
14
Part Number
35100-ZA0-023
Description
SWITCH ASSY., COMBINATION
Serial Range
1000001 - 9999999
Qty
Price
$112.90

Ref No
15
Part Number
35111-880-013
Description
KEY (HONDALOCK)
Serial Range
1000001 - 9999999
Qty
Price
$61.16

Ref No
16
Part Number
36038-657-000
Description
GROMMET B, TUBE
Serial Range
1000001 - 9999999

Ref No
17
Part Number
36130-880-670
Description
SWITCH ASSY., CONTROL
Serial Range
1000001 - 1004954

Ref No
17
Part Number
36130-880-671
Description
SWITCH ASSY., CONTROL
Serial Range
1004955 - 9999999

Ref No
18
Part Number
37500-871-153
Description
METER, FREQUENCY (NOT AVAILABLE)
Serial Range
1004955 - 9999999

Ref No
19
Part Number
37501-880-000
Description
HOLDER A, FREQUENCY METER
Serial Range
1000001 - 9999999

Ref No
20
Part Number
37502-880-000
Description
HOLDER B, FREQUENCY METER
Serial Range
1000001 - 9999999

Ref No
21
Part Number
37560-ZA0-003
Description
SOCKET ASSY., PILOT LAMP
Serial Range
1000001 - 9999999
Qty
Price
$35.32

Ref No
22
Part Number
38201-880-000
Description
FUSE (15A)
Serial Range
1000001 - 9999999
Qty
Price
$3.64

Ref No
23
Part Number
38210-880-680
Description
HOLDER ASSY., FUSE (NOT AVAILABLE)
Serial Range
1000001 - 9999999

Ref No
24
Part Number
93500-03008-0H
Description
SCREW, PAN (3X8)
Serial Range
1000001 - 9999999
Qty
Price
$0.90

Ref No
25
Part Number
93891-05012-08
Description
SCREW-WASHER (5X12)
Serial Range
1000001 - 9999999
Qty
Price
$1.40

Ref No
26
Part Number
93892-04012-08
Description
SCREW-WASHER (4X12)
Serial Range
1000001 - 9999999
Qty
Price
$0.78

Ref No
27
Part Number
93892-05010-08
Description
SCREW-WASHER (5X10)
Serial Range
1000001 - 9999999
Qty
Price
$1.40

Ref No
28
Part Number
93892-06012-08
Description
SCREW-WASHER (6X12)
Serial Range
1000001 - 9999999
Qty
Price
$1.56

Ref No
29
Part Number
94101-06800
Description
WASHER, PLAIN (6MM)
Serial Range
1004955 - 9999999
Qty
Price
$0.80