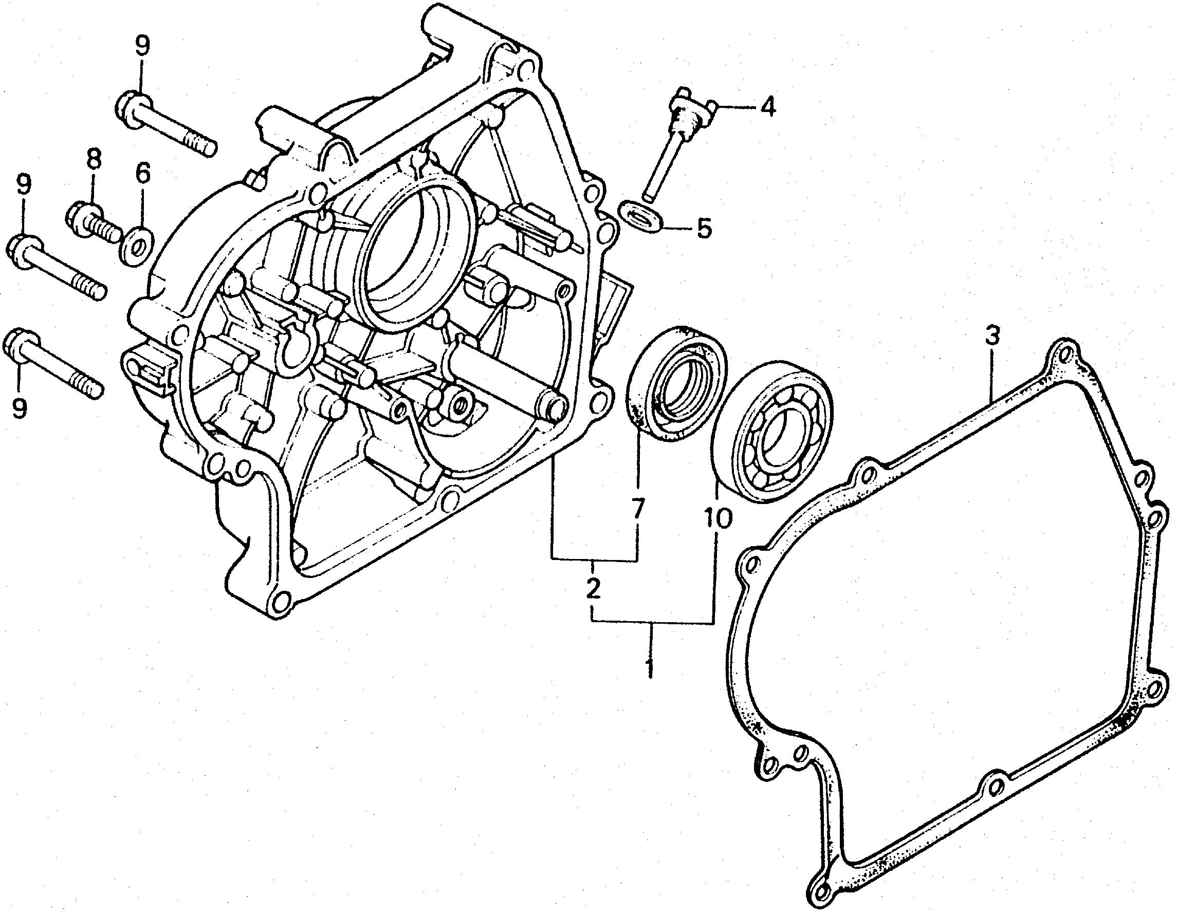
Generators ES ES4500 ES4500K1 A ES4500K1-1100001-9999999 CRANKCASE COVER - Schofield Power Equipment

Ref No
Part Number
Description
Serial Range
Qty
Price

Ref No
2
Part Number
11300-890-010
Description
COVER ASSY., CRANKCASE
Serial Range
1086090 - 9999999

Ref No
3
Part Number
11381-890-000
Description
GASKET, CASE COVER (NOT AVAILABLE)
Serial Range
1086090 - 9999999

Ref No
4
Part Number
15620-890-000
Description
CAP, OIL FILLER (YELLOW)
Serial Range
1000001 - 9999999

Ref No
5
Part Number
15621-896-010
Description
GASKET, OIL FILLER CAP
Serial Range
1000001 - 9999999
Qty
Price
$5.65

Ref No
6
Part Number
90488-700-000
Description
WASHER A (8MM)
Serial Range
1000001 - 9999999
Qty
Price
$1.54

Ref No
7
Part Number
91201-890-003
Description
OIL SEAL (30X46X8)
Serial Range
1000001 - 9999999
Qty
Price
$61.64

Ref No
8
Part Number
95701-08012-00
Description
BOLT, FLANGE (8X12)
Serial Range
1207841 - 9999999
Qty
Price
$1.42

Ref No
8
Part Number
95701-08012-08
Description
BOLT, FLANGE (8X12)
Serial Range
1086090 - 9999999
Qty
Price
$2.20

Ref No
9
Part Number
95700-08045-08
Description
BOLT, FLANGE (8X45)
Serial Range
1207841 - 9999999

Ref No
9
Part Number
95701-08045-08
Description
BOLT, FLANGE (8X45)
Serial Range
1000001 - 9999999
Qty
Price
$2.78